
Filtrar
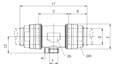
Código | Dibujos 3D | D | F (NPTF) | A | B | C | E | L1 | L2 | CH | CH1 | * | Embute | |
---|---|---|---|---|---|---|---|---|---|---|---|---|---|---|
90237 00 007 | Solicitar acceso | 20 | 1/2 | 13.5 | 31.5 | 48 | 34.5 | 109 | 25 | 28 | 30 | 3 | ||
90237 00 008 | Solicitar acceso | 25 | 1/2 | 13.5 | 38.5 | 45.5 | 42.5 | 121.5 | 33.5 | 35 | 35 | 3 | ||
90237 00 017 A | Solicitar acceso | 63 | 1/2 | 13.5 | 57.5 | 88 | 94 | 203 | 53 | 80 | 75 | Aluminio | 1 | |
90237 00 005 A | Solicitar acceso | 63 | 3/4 | 14 | 57.5 | 88 | 94 | 203 | 54 | 80 | 75 | Aluminio | 1 | |
90237 00 018 A | Solicitar acceso | 63 | 1" | 17 | 57.5 | 88 | 94 | 203 | 56.5 | 80 | 75 | Aluminio | 1 |