Login
American
Italiano
English
American
Español
Deutsch
Français
Português
Русский
Home
Company
Products
Services
BIM
My Aignep
Aignep scan
Infinity Air Planner
Certifications
News
Contacts
American
Italiano
English
American
Español
Deutsch
Français
Português
Русский
Login
Search
Search products
Item code or description
Search
Please wait ...
Fittings and Connectors
Valve
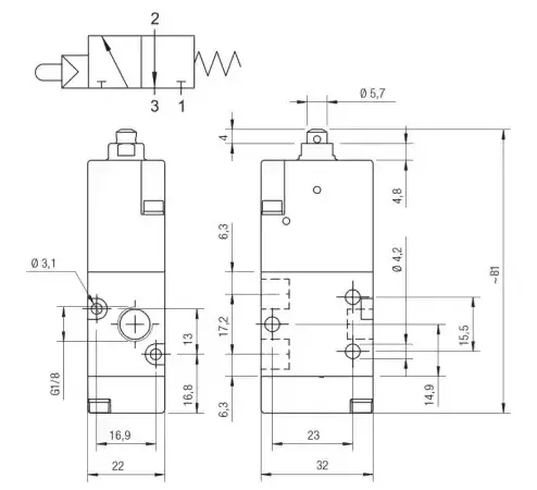
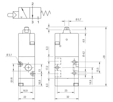
01V Series
MECHANICALLY ACTUATED / SPRING RETURN VALVES - METRIC
Filter
Material
Aluminium
Unit of measure
1/8
Connection type
Thread
Type
Manual and Mechanic Valve
Ways
3/2
5/2
Function
NC
Size
1/8
01VV
MECHANICALLY ACTUATED / SPRING RETURN VALVES - METRIC
Catalog
Certificates
Aignep Scan Labels
Selected Aignep Scan labels
Loading...
Code
USA Ref
3D Drawings
Ways
Reactuation
Function
Size
Pack.
01V V0 3 NC 02
01VV03NC02
-
Request access
3/2
SERVO-PILOTED TAPPET - SPRING RETURN
NC
1/8
1
01V V0 5 00 02
01VV050002
-
Request access
5/2
SERVO-PILOTED TAPPET - SPRING RETURN
1/8
1