
Filter
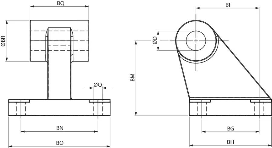
Code | USA Ref | 3D Drawings | Ø mm | Q mm | BG mm | BH mm | BI mm | BM mm | BN mm | BO mm | BQ mm | BR mm | ØD mm | |
---|---|---|---|---|---|---|---|---|---|---|---|---|---|---|
VASI 032 | VASI032 | Request access | 32 | 6,6 | 18 | 31 | 21 | 32 | 38 | 51 | 26 | 20 | 10 | |
VASI 040 | VASI040 | Request access | 40 | 6,6 | 22 | 35 | 24 | 36 | 41 | 54 | 28 | 22 | 12 | |
VASI 050 | VASI050 | Request access | 50 | 9 | 30 | 45 | 33 | 45 | 50 | 65 | 32 | 26 | 12 | |
VASI 063 | VASI063 | Request access | 63 | 9 | 35 | 50 | 37 | 50 | 52 | 67 | 40 | 30 | 16 | |
VASI 080 | VASI080 | Request access | 80 | 11 | 40 | 60 | 47 | 63 | 66 | 86 | 50 | 30 | 16 | |
VASI 100 | VASI100 | Request access | 100 | 11 | 50 | 70 | 55 | 71 | 76 | 96 | 60 | 38 | 20 | |
VASI 125 | VASI125 | Request access | 125 | 14 | 60 | 90 | 70 | 90 | 94 | 124 | 70 | 45 | 25 |