
Filter
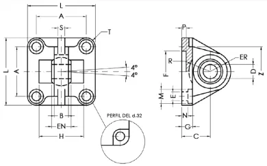
Code | USA Ref | 3D Drawings | Ø mm | A mm | B mm | C mm | D mm | EN mm | ER mm | F mm | G mm | E mm | L mm | M mm | N mm | P mm | H mm | R mm | S mm | Z mm | T mm | |
---|---|---|---|---|---|---|---|---|---|---|---|---|---|---|---|---|---|---|---|---|---|---|
VCSI 032 | VCSI032 | Request access | 32 | 32,5 | 10,5 | 22 | 10 | 14 | 16 | 30 | 9 | 6,6 | 45 | 11 | 5,5 | 5 | - | - | 4 | 32,5 | 6,25 | |
VCSI 040 | VCSI040 | Request access | 40 | 38 | 12 | 25 | 12 | 16 | 19 | 35 | 9 | 6,6 | 52 | 11 | 5,5 | 5 | - | - | 6 | 39 | 7 | |
VCSI 050 | VCSI050 | Request access | 50 | 46,5 | 15 | 27 | 16 | 21 | 21 | 40 | 11 | 9 | 65 | 15 | 6,5 | 5 | 51 | 18 | 8 | 47 | 9,25 | |
VCSI 063 | VCSI063 | Request access | 63 | 56,5 | 15 | 32 | 16 | 21 | 24 | 45 | 11 | 9 | 75 | 15 | 6,5 | 5 | - | - | 8 | 52 | 9,25 | |
VCSI 080 | VCSI080 | Request access | 80 | 72 | 18 | 36 | 20 | 25 | 28.5 | 45 | 14 | 11 | 95 | 18 | 10 | 5 | 72 | 24 | 10 | 67 | 11,5 | |
VCSI 100 | VCSI100 | Request access | 100 | 89 | 18 | 41 | 20 | 25 | 30 | 55 | 14 | 11 | 115 | 18 | 10 | 8 | - | - | 10 | 77 | 13 | |
VCSI 125 | VCSI125 | Request access | 125 | 110 | 25 | 50 | 30 | 37 | 40 | 60 | 20 | 13,5 | 140 | 20 | 10 | 7 | - | - | 13 | 98 | 15 |