
Filter
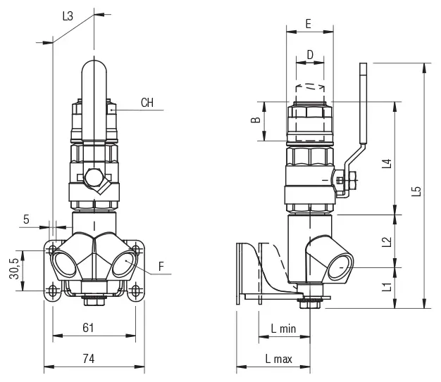
Code | USA Ref | 3D Drawings | D | F (NPTF) | B | E | L1 | L2 | L3 | L4 | L5 | L Min | L Max | CH | Bag | |
---|---|---|---|---|---|---|---|---|---|---|---|---|---|---|---|---|
90665 00 001 | 90665-20-08 | Request access | 20 | 1/2 | 1.240 (31.5) | 1.358 (34.5) | 1.220 (31) | 1.594 (40.5) | 1.476 (37.5) | 3.327 (84.5) | 7.244 (184) | 0.866 (22) | 2.126 (54) | 1.181 (30) | 2 | |
90665 00 002 | 90665-25-08 | Request access | 25 | 1/2 | 1.516 (38.5) | 1.673 (42.5) | 1.220 (31) | 1.535 (39) | 1.476 (37.5) | 3.996 (101.5) | 8.228 (209) | 0.866 (22) | 2.126 (54) | 1.378 (35) | 2 |