
Filter
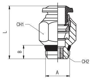
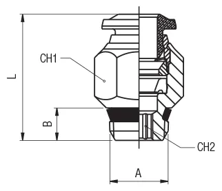
Code | USA Ref | 3D Drawings | Tube | A | B | L | CH1 | CH2 | Bag | |
---|---|---|---|---|---|---|---|---|---|---|
55000 00 019 | 50000N-14-3/8 | Request access | 14 | 3/8 | 0.295 (7.5) | 1.280 (32.5) | 0.827 (21) | 0.354 (9) | 10 | |
55000 00 020 | 50000N-14-1/2 | Request access | 14 | 1/2 | 0.354 (9) | 1.240 (31.5) | 0.827 (21) | 0.394 (10) | 10 |