Login
American
Italiano
English
American
Español
Deutsch
Français
Português
Русский
Home
Company
Products
Services
BIM
My Aignep
Aignep scan
Infinity Air Planner
Certifications
News
Contacts
American
Italiano
English
American
Español
Deutsch
Français
Português
Русский
Login
Search
Search products
Item code or description
Search
Please wait ...
Infinity
Air Pipeline "INFINITY"
Air Pipeline "INFINITY" Series - 14 mm
2 WAY MANIFOLD - NPTF
Filter
Thread
1/2
Figure
Terminals
Thread type
Female Nptf
Unit of measure
Inch
Metric
Connection type
Thread - Thread
90643
2 WAY MANIFOLD - NPTF
Catalog
Instructions
Certificates
Video
Aignep Scan Labels
Selected Aignep Scan labels
Loading...
Code
USA Ref
3D Drawings
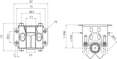
F1 (NPTF)
F2 (NPTF)
N°
L Max
L Min
Bag
90643 00 001
90643-08-08
-
Request access
1/2
1/2
0.079 (2)
2.362 (60)
1.378 (35)
1