Filtro
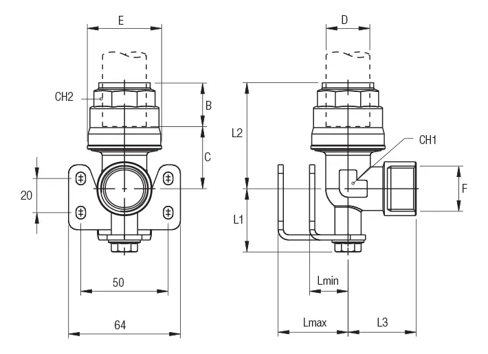
| Codice | Disegni 3D | D | F | B | C | E | L1 | L2 | L3 | L Max | L Min | CH1 | CH2 | Confezione | |
|---|---|---|---|---|---|---|---|---|---|---|---|---|---|---|---|
| 90600 00 001 | Richiedi accesso | 20 | 1/2 | 31.5 | 19.5 | 34.5 | 35 | 51 | 35 | 40 | 22 | 21 | 30 | 4 | |
| 90600 00 002 | Richiedi accesso | 25 | 3/4 | 38.5 | 23 | 42.5 | 37 | 62 | 39 | 40 | 22 | 26 | 35 | 3 | |
| 90600 00 003 | Richiedi accesso | 32 | 1" | 46 | 28 | 52 | 41 | 74.5 | 48.5 | 40 | 26 | 34 | 45 | 2 |