
Filter
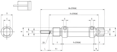
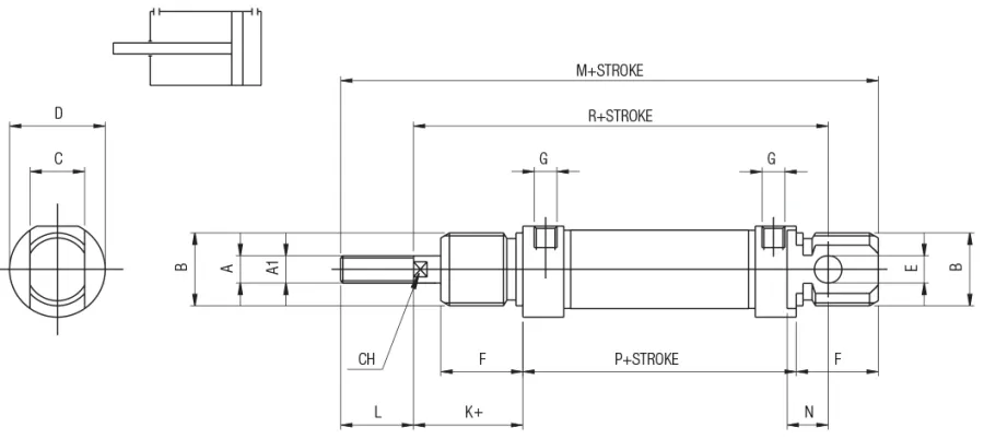
Code | 3D-Zeichnungen | Nummer | Ø | Hub | A | A1 | B | C | D | E | F | G | K | L | M | N | P | R | CH | |
---|---|---|---|---|---|---|---|---|---|---|---|---|---|---|---|---|---|---|---|---|
MFI0160010 | Zugang anfordern | MFI 016 0010 | 16 | 10 | M6 | 6 | M16X1,5 | 12 | 19 | 6 | 18 | M5 | 22 | 16 | 109 | 9 | 53 | 82 | 5 | |
MFI0160025 | Zugang anfordern | MFI 016 0025 | 16 | 25 | M6 | 6 | M16X1,5 | 12 | 19 | 6 | 18 | M5 | 22 | 16 | 109 | 9 | 53 | 82 | 5 | |
MFI0160040 | Zugang anfordern | MFI 016 0040 | 16 | 40 | M6 | 6 | M16X1,5 | 12 | 19 | 6 | 18 | M5 | 22 | 16 | 109 | 9 | 53 | 82 | 5 | |
MFI0160050 | Zugang anfordern | MFI 016 0050 | 16 | 50 | M6 | 6 | M16X1,5 | 12 | 19 | 6 | 18 | M5 | 22 | 16 | 109 | 9 | 53 | 82 | 5 | |
MFI0160080 | Zugang anfordern | MFI 016 0080 | 16 | 80 | M6 | 6 | M16X1,5 | 12 | 19 | 6 | 18 | M5 | 22 | 16 | 109 | 9 | 53 | 82 | 5 | |
MFI0160100 | Zugang anfordern | MFI 016 0100 | 16 | 100 | M6 | 6 | M16X1,5 | 12 | 19 | 6 | 18 | M5 | 22 | 16 | 109 | 9 | 53 | 82 | 5 | |
MFI0160125 | Zugang anfordern | MFI 016 0125 | 16 | 125 | M6 | 6 | M16X1,5 | 12 | 19 | 6 | 18 | M5 | 22 | 16 | 109 | 9 | 53 | 82 | 5 | |
MFI0160160 | Zugang anfordern | MFI 016 0160 | 16 | 160 | M6 | 6 | M16X1,5 | 12 | 19 | 6 | 18 | M5 | 22 | 16 | 109 | 9 | 53 | 82 | 5 | |
MFI0160200 | Zugang anfordern | MFI 016 0200 | 16 | 200 | M6 | 6 | M16X1,5 | 12 | 19 | 6 | 18 | M5 | 22 | 16 | 109 | 9 | 53 | 82 | 5 | |
MFI0160250 | Zugang anfordern | MFI 016 0250 | 16 | 250 | M6 | 6 | M16X1,5 | 12 | 19 | 6 | 18 | M5 | 22 | 16 | 109 | 9 | 53 | 82 | 5 | |
MFI0160320 | Zugang anfordern | MFI 016 0320 | 16 | 320 | M6 | 6 | M16X1,5 | 12 | 19 | 6 | 18 | M5 | 22 | 16 | 109 | 9 | 53 | 82 | 5 | |
MFI0200010 | Zugang anfordern | MFI 020 0010 | 20 | 10 | M8 | 8 | M22X1,5 | 16 | 27 | 8 | 20 | 1/8G | 24 | 20 | 131 | 12 | 67 | 95 | 7 | |
MFI0200025 | Zugang anfordern | MFI 020 0025 | 20 | 25 | M8 | 8 | M22X1,5 | 16 | 27 | 8 | 20 | 1/8G | 24 | 20 | 131 | 12 | 67 | 95 | 7 | |
MFI0200040 | Zugang anfordern | MFI 020 0040 | 20 | 40 | M8 | 8 | M22X1,5 | 16 | 27 | 8 | 20 | 1/8G | 24 | 20 | 131 | 12 | 67 | 95 | 7 | |
MFI0200050 | Zugang anfordern | MFI 020 0050 | 20 | 50 | M8 | 8 | M22X1,5 | 16 | 27 | 8 | 20 | 1/8G | 24 | 20 | 131 | 12 | 67 | 95 | 7 | |
MFI0200080 | Zugang anfordern | MFI 020 0080 | 20 | 80 | M8 | 8 | M22X1,5 | 16 | 27 | 8 | 20 | 1/8G | 24 | 20 | 131 | 12 | 67 | 95 | 7 | |
MFI0200100 | Zugang anfordern | MFI 020 0100 | 20 | 100 | M8 | 8 | M22X1,5 | 16 | 27 | 8 | 20 | 1/8G | 24 | 20 | 131 | 12 | 67 | 95 | 7 | |
MFI0200125 | Zugang anfordern | MFI 020 0125 | 20 | 125 | M8 | 8 | M22X1,5 | 16 | 27 | 8 | 20 | 1/8G | 24 | 20 | 131 | 12 | 67 | 95 | 7 | |
MFI0200160 | Zugang anfordern | MFI 020 0160 | 20 | 160 | M8 | 8 | M22X1,5 | 16 | 27 | 8 | 20 | 1/8G | 24 | 20 | 131 | 12 | 67 | 95 | 7 | |
MFI0200200 | Zugang anfordern | MFI 020 0200 | 20 | 200 | M8 | 8 | M22X1,5 | 16 | 27 | 8 | 20 | 1/8G | 24 | 20 | 131 | 12 | 67 | 95 | 7 | |
MFI0200250 | Zugang anfordern | MFI 020 0250 | 20 | 250 | M8 | 8 | M22X1,5 | 16 | 27 | 8 | 20 | 1/8G | 24 | 20 | 131 | 12 | 67 | 95 | 7 | |
MFI0200320 | Zugang anfordern | MFI 020 0320 | 20 | 320 | M8 | 8 | M22X1,5 | 16 | 27 | 8 | 20 | 1/8G | 24 | 20 | 131 | 12 | 67 | 95 | 7 | |
MFI0250010 | Zugang anfordern | MFI 025 0010 | 25 | 10 | M10X1,25 | 10 | M22X1,5 | 16 | 30 | 8 | 22 | 1/8G | 28 | 22 | 140 | 12 | 68 | 104 | 9 | |
MFI0250025 | Zugang anfordern | MFI 025 0025 | 25 | 25 | M10X1,25 | 10 | M22X1,5 | 16 | 30 | 8 | 22 | 1/8G | 28 | 22 | 140 | 12 | 68 | 104 | 9 | |
MFI0250040 | Zugang anfordern | MFI 025 0040 | 25 | 40 | M10X1,25 | 10 | M22X1,5 | 16 | 30 | 8 | 22 | 1/8G | 28 | 22 | 140 | 12 | 68 | 104 | 9 | |
MFI0250050 | Zugang anfordern | MFI 025 0050 | 25 | 50 | M10X1,25 | 10 | M22X1,5 | 16 | 30 | 8 | 22 | 1/8G | 28 | 22 | 140 | 12 | 68 | 104 | 9 | |
MFI0250080 | Zugang anfordern | MFI 025 0080 | 25 | 80 | M10X1,25 | 10 | M22X1,5 | 16 | 30 | 8 | 22 | 1/8G | 28 | 22 | 140 | 12 | 68 | 104 | 9 | |
MFI0250100 | Zugang anfordern | MFI 025 0100 | 25 | 100 | M10X1,25 | 10 | M22X1,5 | 16 | 30 | 8 | 22 | 1/8G | 28 | 22 | 140 | 12 | 68 | 104 | 9 | |
MFI0250125 | Zugang anfordern | MFI 025 0125 | 25 | 125 | M10X1,25 | 10 | M22X1,5 | 16 | 30 | 8 | 22 | 1/8G | 28 | 22 | 140 | 12 | 68 | 104 | 9 | |
MFI0250160 | Zugang anfordern | MFI 025 0160 | 25 | 160 | M10X1,25 | 10 | M22X1,5 | 16 | 30 | 8 | 22 | 1/8G | 28 | 22 | 140 | 12 | 68 | 104 | 9 | |
MFI0250200 | Zugang anfordern | MFI 025 0200 | 25 | 200 | M10X1,25 | 10 | M22X1,5 | 16 | 30 | 8 | 22 | 1/8G | 28 | 22 | 140 | 12 | 68 | 104 | 9 | |
MFI0250250 | Zugang anfordern | MFI 025 0250 | 25 | 250 | M10X1,25 | 10 | M22X1,5 | 16 | 30 | 8 | 22 | 1/8G | 28 | 22 | 140 | 12 | 68 | 104 | 9 | |
MFI0250320 | Zugang anfordern | MFI 025 0320 | 25 | 320 | M10X1,25 | 10 | M22X1,5 | 16 | 30 | 8 | 22 | 1/8G | 28 | 22 | 140 | 12 | 68 | 104 | 9 |