
Filter
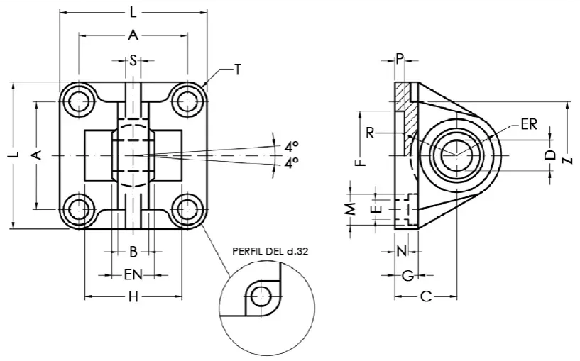
Code | 3D-Zeichnungen | Nummer | Ø | A | B | C | D | EN | ER | F | G | E | L | M | N | P | H | R | S | Z | T | |
---|---|---|---|---|---|---|---|---|---|---|---|---|---|---|---|---|---|---|---|---|---|---|
VCS032 | Zugang anfordern | VCS 032 | 32 | 32,5 | 10,5 | 22 | 10 | 14 | 16 | 30 | 9 | 6,6 | 45 | 11 | 5,5 | 5 | - | - | 4 | 32,5 | 6,25 | |
VCS040 | Zugang anfordern | VCS 040 | 40 | 38 | 12 | 25 | 12 | 16 | 19 | 35 | 9 | 6,6 | 52 | 11 | 5,5 | 5 | - | - | 6 | 39 | 7 | |
VCS050 | Zugang anfordern | VCS 050 | 50 | 46,5 | 15 | 27 | 16 | 21 | 21 | 40 | 11 | 9 | 65 | 15 | 6,5 | 5 | 51 | 18 | 8 | 47 | 9,25 | |
VCS063 | Zugang anfordern | VCS 063 | 63 | 56,5 | 15 | 32 | 16 | 21 | 24 | 45 | 11 | 9 | 75 | 15 | 6,5 | 5 | - | - | 8 | 52 | 9,25 | |
VCS080 | Zugang anfordern | VCS 080 | 80 | 72 | 18 | 36 | 20 | 25 | 28.5 | 45 | 14 | 11 | 95 | 18 | 10 | 5 | 72 | 24 | 10 | 67 | 11,5 | |
VCS100 | Zugang anfordern | VCS 100 | 100 | 89 | 18 | 41 | 20 | 25 | 30 | 55 | 14 | 11 | 115 | 18 | 10 | 8 | - | - | 10 | 77 | 13 | |
VCS125 | Zugang anfordern | VCS 125 | 125 | 110 | 25 | 50 | 30 | 37 | 40 | 60 | 20 | 13,5 | 140 | 20 | 10 | 7 | - | - | 13 | 98 | 15 |