
Filter
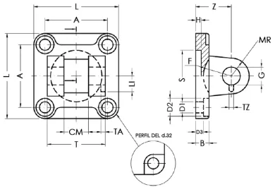
Code | 3D-Zeichnungen | Nummer | Ø | L | T | CM | A | Z | H | B | D3 | S | G | MR | D1 | D2 | TA | TZ | LI | F | |
---|---|---|---|---|---|---|---|---|---|---|---|---|---|---|---|---|---|---|---|---|---|
VCD160 | Zugang anfordern | VCD 160 | 160 | 180 | 122 | 43 | 140 | 55 | 7 | 20 | 10 | 65 | 35 | 30 | 18 | 26 | 6 | 6,3 | 26,5 | 46 | |
VCD200 | Zugang anfordern | VCD 200 | 200 | 220 | 122 | 43 | 175 | 60 | 7 | 25 | 11 | 75 | 35 | 30 | 18 | 26 | 6 | 6,3 | 26,5 | 49 |