
Filtrer
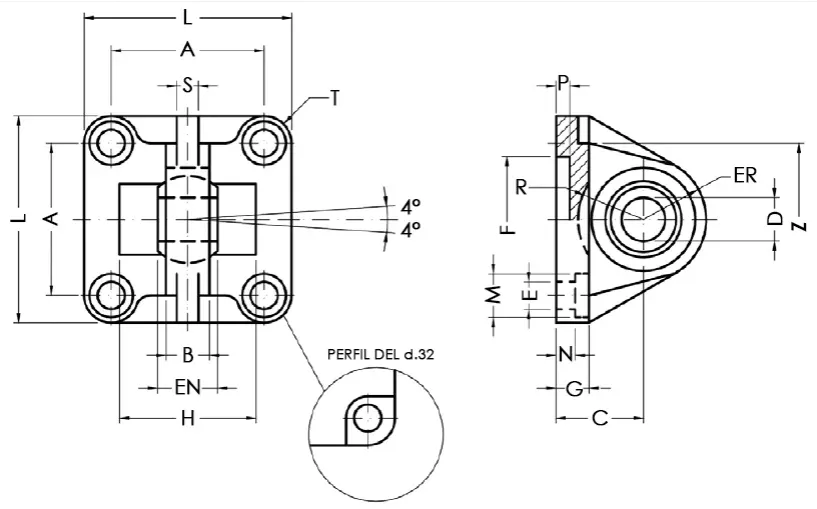
Code | Dessins 3D | Ø | A | B | C | D | EN | ER | F | G | E | L | M | N | P | H | R | S | Z | T | |
---|---|---|---|---|---|---|---|---|---|---|---|---|---|---|---|---|---|---|---|---|---|
VCS 032 | Demander l'accès | 32 | 32,5 | 10,5 | 22 | 10 | 14 | 16 | 30 | 9 | 6,6 | 45 | 11 | 5,5 | 5 | - | - | 4 | 32,5 | 6,25 | |
VCS 040 | Demander l'accès | 40 | 38 | 12 | 25 | 12 | 16 | 19 | 35 | 9 | 6,6 | 52 | 11 | 5,5 | 5 | - | - | 6 | 39 | 7 | |
VCS 050 | Demander l'accès | 50 | 46,5 | 15 | 27 | 16 | 21 | 21 | 40 | 11 | 9 | 65 | 15 | 6,5 | 5 | 51 | 18 | 8 | 47 | 9,25 | |
VCS 063 | Demander l'accès | 63 | 56,5 | 15 | 32 | 16 | 21 | 24 | 45 | 11 | 9 | 75 | 15 | 6,5 | 5 | - | - | 8 | 52 | 9,25 | |
VCS 080 | Demander l'accès | 80 | 72 | 18 | 36 | 20 | 25 | 28.5 | 45 | 14 | 11 | 95 | 18 | 10 | 5 | 72 | 24 | 10 | 67 | 11,5 | |
VCS 100 | Demander l'accès | 100 | 89 | 18 | 41 | 20 | 25 | 30 | 55 | 14 | 11 | 115 | 18 | 10 | 8 | - | - | 10 | 77 | 13 |