
Filtrer
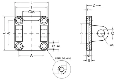
Code | Dessins 3D | Ø | A | L | D | R | N | B | S | F | Z | G | M | CM | T | |
---|---|---|---|---|---|---|---|---|---|---|---|---|---|---|---|---|
VCHZ 032 NE | Demander l'accès | 32 | 32,5 | 45 | 6,6 | 11 | 5,5 | 9 | 30 | 5 | 22 | 10 | 10 | 26 | 45 | |
VCHZ 040 NE | Demander l'accès | 40 | 38 | 52 | 6,6 | 11 | 5,5 | 9 | 35 | 5 | 25 | 12 | 12 | 28 | 52 | |
VCHZ 050 NE | Demander l'accès | 50 | 46,5 | 65 | 9 | 15 | 6,5 | 11 | 40 | 5 | 27 | 12 | 12 | 32 | 60 | |
VCHZ 063 NE | Demander l'accès | 63 | 56,5 | 75 | 9 | 15 | 6,5 | 11 | 45 | 5 | 32 | 16 | 16 | 40 | 70 | |
VCHZ 080 NE | Demander l'accès | 80 | 72 | 95 | 11 | 18 | 10 | 14 | 45 | 5 | 36 | 16 | 16 | 50 | 90 | |
VCHZ 100 NE | Demander l'accès | 100 | 89 | 115 | 11 | 18 | 10 | 14 | 55 | 5 | 41 | 20 | 20 | 60 | 110 |