Filtrer
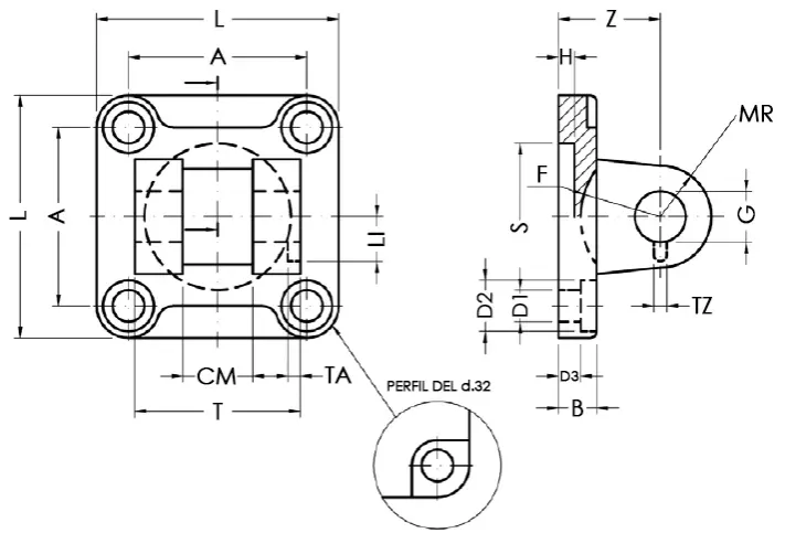
| Code | Dessins 3D | Ø | L | T | CM | A | Z | H | B | D3 | S | G | MR | D1 | D2 | TA | TZ | LI | F | |
|---|---|---|---|---|---|---|---|---|---|---|---|---|---|---|---|---|---|---|---|---|
| VCD 032 | Demander l'accès | 32 | 45 | 34 | 14 | 32,5 | 22 | 5 | 9 | 5,5 | 30 | 10 | 10 | 6,6 | 11 | 3 | 3,3 | 11,5 | 17 | |
| VCD 040 | Demander l'accès | 40 | 52 | 40 | 16 | 38 | 25 | 5 | 9 | 5,5 | 35 | 12 | 12 | 6,6 | 11 | 4 | 4,3 | 12 | 20 | |
| VCD 050 | Demander l'accès | 50 | 65 | 45 | 21 | 46,5 | 27 | 5 | 11 | 6,5 | 40 | 16 | 14 | 9 | 15 | 4 | 4,3 | 14 | 22 | |
| VCD 063 | Demander l'accès | 63 | 75 | 51 | 21 | 56,5 | 32 | 5 | 11 | 6,5 | 45 | 16 | 18 | 9 | 15 | 4 | 4,3 | 14 | 25 | |
| VCD 080 | Demander l'accès | 80 | 95 | 65 | 25 | 72 | 36 | 5 | 14 | 10 | 45 | 20 | 20 | 11 | 18 | 4 | 4,3 | 16 | 30 | |
| VCD 100 | Demander l'accès | 100 | 115 | 75 | 25 | 89 | 41 | 5 | 14 | 10 | 55 | 20 | 22 | 11 | 18 | 4 | 6,3 | 16 | 32 |