Filtrer
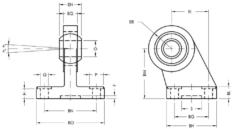
| Code | Dessins 3D | Ø | Q | P | BG | BH | BI | BL | BM | BN | BO | EN | ER | BQ | D | H | S | F | * | |
|---|---|---|---|---|---|---|---|---|---|---|---|---|---|---|---|---|---|---|---|---|
| VADZ 032 NE | Demander l'accès | 32 | 6,6 | 11 | 18 | 31 | 21 | 10 | 32 | 38 | 51 | 14 | 15 | 10,5 | 10 | 8,5 | 20 | 3 | TRAITEMENT: Noircissage | |
| VADZ 040 NE | Demander l'accès | 40 | 6,6 | 11 | 22 | 35 | 24 | 10 | 36 | 41 | 54 | 16 | 18 | 12 | 12 | 8,5 | 20 | 3 | TRAITEMENT: Noircissage | |
| VADZ 050 NE | Demander l'accès | 50 | 9 | 15 | 30 | 45 | 33 | 12 | 45 | 50 | 65 | 21 | 20 | 15 | 16 | 10,5 | 20 | 3 | TRAITEMENT: Noircissage | |
| VADZ 063 NE | Demander l'accès | 63 | 9 | 15 | 35 | 50 | 37 | 12 | 50 | 52 | 67 | 21 | 23 | 15 | 16 | 10,5 | 20 | 3 | TRAITEMENT: Noircissage | |
| VADZ 080 NE | Demander l'accès | 80 | 11 | 18 | 40 | 60 | 47 | 14 | 63 | 66 | 86 | 25 | 27 | 18 | 20 | 11,5 | 20 | 3 | TRAITEMENT: Noircissage | |
| VADZ 100 NE | Demander l'accès | 100 | 11 | 18 | 50 | 70 | 55 | 15 | 71 | 76 | 96 | 25 | 30 | 18 | 20 | 12,5 | 20 | 3 | TRAITEMENT: Noircissage |