Iniciar sesión
Español
Italiano
English
American
Español
Deutsch
Français
Português
Русский
Home
Compañía
Productos
Servicios
BIM
Mi Aignep
Aignep Scan
Infinity Air Planner
Certificaciones
Noticias
Contactos
Español
Italiano
English
American
Español
Deutsch
Français
Português
Русский
Iniciar sesión
Buscar
Buscar productos
Código de artículo o descripción
Buscar
Por favor espera ...
Conexiones y accesorios
Válvulas
Serie 10V
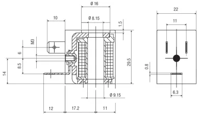
BOBINA 22 MM ATEX II 3G Ex nA IIC T5 Gc | II 3D Ex tc IIIC 95°C Dc
Filtrar
Tipo
Bobina
Tensión
12V DC
24V AC
24V DC
SOLX1
BOBINA 22 MM ATEX II 3G Ex nA IIC T5 Gc | II 3D Ex tc IIIC 95°C Dc
Catálogo
Certificados
Aignep Scan Etiquetas
Aignep Scan Etiquetas seleccionadas
Loading...
Código
Dibujos 3D
Tensión
Potencia
Talla
Embute
SOLX1 012 C 1 000
-
Solicitar acceso
12V DC
3W
22
1
SOLX1 024 C 1 000
-
Solicitar acceso
24V DC
3W
22
1
SOLX1 024 A 2 000
-
Solicitar acceso
24V AC
5VA
22
1