Iniciar sesión
Español
Italiano
English
American
Español
Deutsch
Français
Português
Русский
Home
Compañía
Productos
Servicios
BIM
Mi Aignep
Aignep Scan
Infinity Air Planner
Certificaciones
Noticias
Contactos
Español
Italiano
English
American
Español
Deutsch
Français
Português
Русский
Iniciar sesión
Buscar
Buscar productos
Código de artículo o descripción
Buscar
Por favor espera ...
Conexiones y accesorios
Válvulas a Esfera
Serie "GHILUX"
VÁLVULA A L MACHO CILÍNDRICO GA ISO 228 - MACHO CÓNICO R ISO 7
Filtrar
Material
Latón
Roscado
1/4
Figura
L
Tipo de roscado
Macho Cilindrica
Macho Cónica
Unidad de medida
Métricos
Tipo de conexión
Roscas - Roscas
6540
VÁLVULA A L MACHO CILÍNDRICO GA ISO 228 - MACHO CÓNICO R ISO 7
Catálogo
Certificados
Aignep Scan Etiquetas
Aignep Scan Etiquetas seleccionadas
Loading...
Código
Dibujos 3D
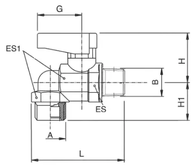
A
B
D.N.
ES
ES1
L
H
H1
G
Embute
06540 00 001
-
Solicitar acceso
1/4
1/4
6
14-15
17
48
21
17
19
10