Iniciar sesión
Español
Italiano
English
American
Español
Deutsch
Français
Português
Русский
Home
Compañía
Productos
Servicios
BIM
Mi Aignep
Aignep Scan
Infinity Air Planner
Certificaciones
Noticias
Contactos
Español
Italiano
English
American
Español
Deutsch
Français
Português
Русский
Iniciar sesión
Buscar
Buscar productos
Código de artículo o descripción
Buscar
Por favor espera ...
Conexiones y accesorios
Enchufes Rápidos
Serie 160 "Enchufes Rápidos"
ADAPTADOR EN ACERO HEMBRA
Filtrar
Material
Acero
Roscado
1/2
1/4
3/8
Figura
Recto
Tipo de roscado
Hembra Cilindrica
Unidad de medida
Métricos
Tipo de conexión
Roscas
DN
7.8
Perfil
EUROPEAN
Tipo
Adaptador sin Obturador
262AC
ADAPTADOR EN ACERO HEMBRA
Catálogo
Certificados
Aignep Scan Etiquetas
Aignep Scan Etiquetas seleccionadas
Loading...
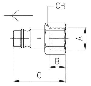
Código
Dibujos 3D
A
B
C
D
CH
Embute
262AC 00 51 03 ZI
-
Solicitar acceso
1/4
11
33
-
17
10
262AC 00 51 04 ZI
-
Solicitar acceso
3/8
11,5
33,5
-
19
10
262AC 00 51 05 ZI
-
Solicitar acceso
1/2
14
36
-
24
10