Filter
| Code | 3D Drawings | Ways | Reactuation | Flow Rate | Functioning | Size | Size (12) (14) | ||
|---|---|---|---|---|---|---|---|---|---|
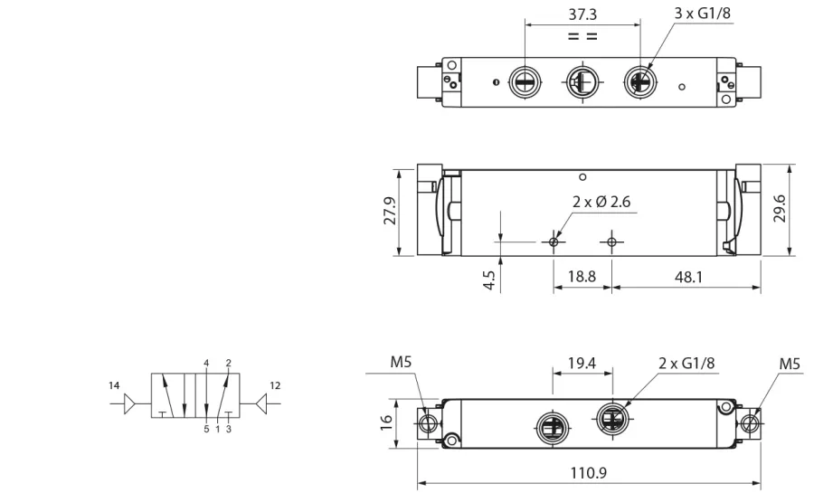
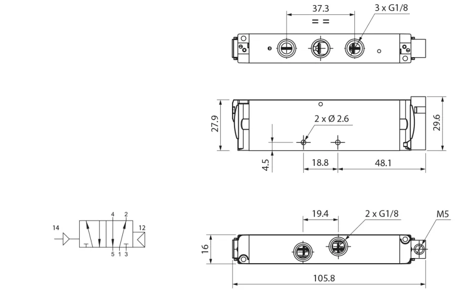
| 14V P4 5 00 02 | Request access | 5/2 | MONOSTABLE PNEUMATIC SPRING RETURN | 706 Nl/min | 1/8 | M5 x 0.8 | |||
| 14V P1 5 00 02 | Request access | 5/2 | TWO STABLE POSITIONS | 706 Nl/min | 1/8 | M5 x 0.8 | |||
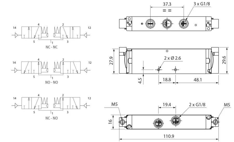
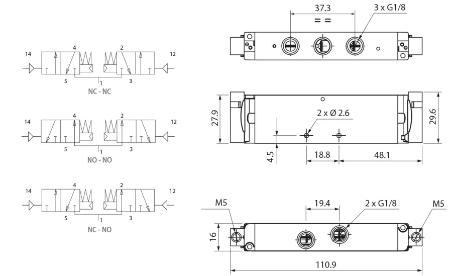
| 14V P0 8 NO 02 | Request access | 5/4 | DOUBLE 3/2 MONOSTABLE MECHANICAL SPRING RETURN | 620 Nl/min | NO | 1/8 | M5 x 0.8 | ||
| 14V P0 8 NN 02 | Request access | 5/4 | DOUBLE 3/2 MONOSTABLE MECHANICAL SPRING RETURN | 553 Nl/min | NC-NO | 1/8 | M5 x 0.8 | ||
| 14V P0 8 NC 02 | Request access | 5/4 | DOUBLE 3/2 MONOSTABLE MECHANICAL SPRING RETURN | 553 Nl/min | NC | 1/8 | M5 x 0.8 | ||
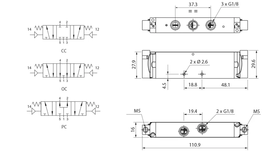
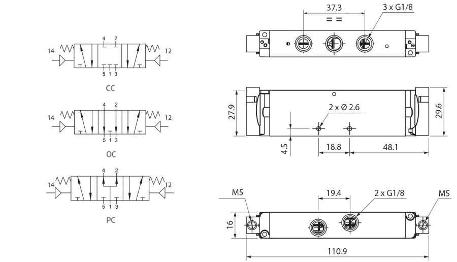
| 14V P0 7 PC 02 | Request access | 5/3 | MONOSTABLE MECHANICAL SPRING RETURN | 680 Nl/min | PC | 1/8 | M5 x 0.8 | ||
| 14V P0 7 OC 02 | Request access | 5/3 | MONOSTABLE MECHANICAL SPRING RETURN | 705 Nl/min | OC | 1/8 | M5 x 0.8 | ||
| 14V P0 7 CC 02 | Request access | 5/3 | MONOSTABLE MECHANICAL SPRING RETURN | 591 Nl/min | CC | 1/8 | M5 x 0.8 |