
Filter
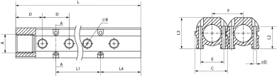
Code | 3D Drawings | A | B | N° | C | D | E | F | L | L1 | L2 | L3 | L4 | d | Bag | |
---|---|---|---|---|---|---|---|---|---|---|---|---|---|---|---|---|
06049 0A 11 0W RO | Request access | 3/4 | 1/4 | 4 | 43.5 | 38 | 31 | 41.3 | 190 | 75,6 | 30 | 41,5 | 57,2 | 4,5 | 1 | |
06049 0A 11 0X RO | Request access | 3/4 | 1/4 | 6 | 43.5 | 38 | 31 | 41,3 | 266 | 151,6 | 30 | 41,5 | 57,2 | 4,5 | 1 | |
06049 0A 11 0Y RO | Request access | 3/4 | 1/4 | 8 | 43.5 | 38 | 31 | 41,3 | 342 | 227,6 | 30 | 41,5 | 57,2 | 4,5 | 1 | |
06049 0A 11 0Z RO | Request access | 3/4 | 1/4 | 10 | 43.5 | 38 | 31 | 41,3 | 418 | 303,6 | 30 | 41,5 | 57,2 | 4,5 | 1 |