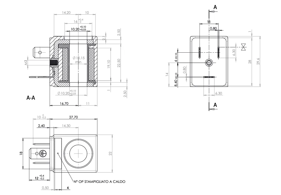
Filtro

Serie V 22 mm

Ø OPERATORE 10 mm - TAGLIA 22 mm VDE

SerieV22d
SerieV22f
FORM B / EN 175301-803 (EX DIN 43650)
Loading...