
Filtrar
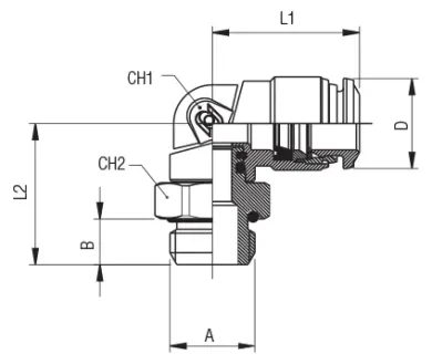
Código | Desenhos 3D | Tubo | A | B | L1 | L2 | CH1 | CH2 | D | Embal. | |
---|---|---|---|---|---|---|---|---|---|---|---|
50116 00 N01 | Solicitar acesso | 3 | M5 | 3.6 | 16,5 | 17.5 | 9 | 8 | 10 | 10 | |
50116 00 N02 | Solicitar acesso | 4 | M5 | 3.6 | 18 | 17.5 | 9 | 8 | 10 | 10 | |
50116 00 N03 | Solicitar acesso | 4 | 1/8 | 5.4 | 18 | 18 | 9 | 13 | 10 | 10 | |
50116 00 N04 | Solicitar acesso | 4 | 1/4 | 7.1 | 18 | 18 | 9 | 16 | 10 | 10 | |
50116 00 N05 | Solicitar acesso | 5 | M5 | 3.6 | 20 | 20 | 11 | 11 | 12.5 | 10 | |
50116 00 N06 | Solicitar acesso | 5 | 1/8 | 5.4 | 20 | 20 | 11 | 13 | 12.5 | 10 | |
50116 00 N07 | Solicitar acesso | 6 | M5 | 3.6 | 21 | 20 | 11 | 11 | 12.5 | 10 | |
50116 00 N08 | Solicitar acesso | 6 | 1/8 | 5.4 | 21 | 20 | 11 | 13 | 12.5 | 10 | |
50116 00 N09 | Solicitar acesso | 6 | 1/4 | 7.1 | 21 | 21,5 | 11 | 16 | 12.5 | 10 | |
50116 00 N30 | Solicitar acesso | 6 | 3/8 | 8.1 | 21,5 | 21,5 | 11 | 16 | 12.5 | 10 | |
50116 00 N10 | Solicitar acesso | 8 | 1/8 | 5.4 | 22,5 | 22,5 | 12 | 13 | 14.5 | 10 | |
50116 00 N11 | Solicitar acesso | 8 | 1/4 | 7.1 | 22,5 | 23 | 12 | 16 | 14.5 | 10 | |
50116 00 N12 | Solicitar acesso | 8 | 3/8 | 8.1 | 22,5 | 25 | 12 | 20 | 14.5 | 10 | |
50116 00 N13 | Solicitar acesso | 8 | 1/2 | 9.6 | 22,5 | 26,5 | 12 | 25 | 14.5 | 10 | |
50116 00 N14 | Solicitar acesso | 10 | 1/4 | 7.1 | 26,5 | 27,5 | 14 | 16 | 17.5 | 10 | |
50116 00 N15 | Solicitar acesso | 10 | 3/8 | 8.1 | 26,5 | 27 | 14 | 20 | 17.5 | 10 | |
50116 00 N16 | Solicitar acesso | 10 | 1/2 | 9.6 | 26,5 | 28,5 | 14 | 25 | 17.5 | 10 | |
50116 00 N25 | Solicitar acesso | 12 | 1/4 | 7.1 | 30,5 | 27,8 | 16 | 16 | 21.5 | 10 | |
50116 00 N17 | Solicitar acesso | 12 | 3/8 | 8.1 | 31,5 | 27,3 | 16 | 20 | 21.5 | 10 | |
50116 00 N18 | Solicitar acesso | 12 | 1/2 | 9.6 | 31,5 | 28,8 | 16 | 25 | 21.5 | 10 | |
50116 00 N19 | Solicitar acesso | 14 | 3/8 | 8.1 | 31,5 | 28,3 | 16 | 20 | 21.5 | 10 | |
50116 00 N20 | Solicitar acesso | 14 | 1/2 | 9.6 | 31,5 | 29,8 | 16 | 25 | 21.5 | 10 | |
50116 00 N31 | Solicitar acesso | 16 | 3/8 | 8.1 | 33 | 40 | 19 | 25 | 23.5 | 10 | |
50116 00 N32 | Solicitar acesso | 16 | 1/2 | 9.6 | 33 | 41,5 | 19 | 25 | 23.5 | 10 | |
50116 00 N26 | Solicitar acesso | 4 | M6X1 | 3.6 | 17,5 | 18 | 9 | 8 | 10 | 10 | |
50116 00 N27 | Solicitar acesso | 4 | M8X1 | 5.4 | 17,5 | 18 | 9 | 12 | 10 | 10 | |
50116 00 N28 | Solicitar acesso | 6 | M10X1 | 5.4 | 21 | 21,5 | 11 | 13 | 12 | 10 | |
50116 00 N21 | Solicitar acesso | 6 | M12X1 | 7.3 | 20 | 22 | 11 | 16 | 12.5 | 10 | |
50116 00 N22 | Solicitar acesso | 6 | M12X1,25 | 7.3 | 20 | 22 | 11 | 16 | 12.5 | 10 | |
50116 00 N23 | Solicitar acesso | 6 | M12X1,5 | 7.3 | 20 | 22 | 11 | 16 | 12.5 | 10 | |
50116 00 N24 | Solicitar acesso | 8 | M12X1,5 | 7.3 | 22,5 | 23,5 | 12 | 16 | 14.5 | 10 |