Login
Italiano
Italiano
English
American
Español
Deutsch
Français
Português
Русский
Home
Azienda
Prodotti
Servizi
BIM
My Aignep
Aignep scan
Infinity Air Planner
Certificazioni
News
Contatti
Italiano
Italiano
English
American
Español
Deutsch
Français
Português
Русский
Login
Cerca
Cerca prodotti
Codice articolo o descrizione
Cerca
Attendere prego...
Raccordi e connessioni
Adattatori
Serie "Adapters"
RACCORDO A T MASCHIO CENTRALE - CW510L
Filtro
Filetto
1/4
1/8
Figura
T
4040
RACCORDO A T MASCHIO CENTRALE - CW510L
Catalogo
Certificati
Etichette Aignep Scan
Etichette Aignep Scan selezionati
Loading...
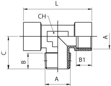
Codice
Disegni 3D
A
B
B1
C
L
CH
Confezione
04040 00 89 02 00
-
Richiedi accesso
1/8
8
8,5
17,5
39
12
50
04040 00 89 03 00
-
Richiedi accesso
1/4
11
11
23
49
13
25